服務熱線:15195518515在線客服:1464856260
傳真號碼:0517-86801009
郵箱號碼:1464856260@qq.com
網 址:http://www.b8sqy.cn
地 址:江蘇省金湖縣理士大道61號
關于磁翻板液位計的基本參數及工作原理
發布時間:2021-01-22 14:54:48??點擊次數:3844次
摘要:介紹一種新型、優良、價廉的液位測量儀表的工作原理、技術參數和調校方法 ,并與常見的液位測量儀表進行性價比較。
1、前言
2004年度硝區大修時,冷凍工段1#氨蒸發器新裝了一臺帶遠傳輸出的磁翻板液位計。就地指示儀表型號為U HS—A,是常見的磁翻板式液位計,直觀,醒目,有利于工藝人員讀數。遠傳變送器型號為LB,其原理和結構均新穎、簡單而可靠。儀表投運一個多月,運行穩定、可靠,取得非常滿意的效果。
2、技術參數
液位計遠傳變送器的技術參數如下:
測量原理:干簧管—電阻鏈—磁藕式
測量范圍:300~8000mm
準確度:±10mm
回差:±10mm
輸出信號:4~20 mA D、C(二線制)
負載能力:600Ω 功耗<1.0W
環境溫度:-40~+80℃
防護等級:IEC IP65
電源電壓:14~40V D.C
遠傳距離:max 10 km
電纜接頭:防水型 M16×1.5 內螺紋;隔爆型 M20×1.5 內螺紋
防爆等級:本安型 ib ⅡBT4(須與齊納安全柵配合使用)
隔爆型:d ⅡBT4
3、液位變送器工作原理
LB型液位變送器由液位傳感器和轉換模塊組成。
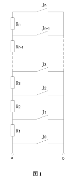
液位傳感器是由一組干簧和電阻鏈構成。干簧管J和電阻R的電氣連接如圖1。

干簧管和電阻每隔20mm一組,等距離地安裝在一根不銹鋼管內。全部電阻的阻值均是相同的,即:R1=R2=R3=…=Rn。電阻的數量由液位測量范圍(即標尺的長度)來決定。例如測量范圍為1200mm時,則R阻的個數n為n=1200÷20=60(個)
液位傳感器與磁翻板液位計并列安裝在浮筒一側,同處于磁性浮子的磁藕系統中。當磁性浮子隨液位上下移動時,對應高度的干簧管受磁場作用而吸合使電阻鏈的阻值,即圖1的a ,b點呈現的阻值Rab發生變化。例如當液位處于*低位置J0吸合,全部電阻被J0短路,Rab為0;當液位為*高位置,Jn吸合,Rab為n個電阻串聯的總和。亦即:液位為0%時,Rab=0,液位為100%時,Rab為*大。
轉換模塊實際上是一個簡單的測量電阻值的電路,由Ω/V(電阻/電壓)轉換電路、V/I(電壓/電流)轉換電路和零位、量程調整電路構成。框圖如圖2所示。

來自液位傳感器的對應液位高度的電阻信號,進入圖2所示的a,b端,經處理后*終輸出4~20mA DC標準信號。
4、調校
調校工作非常簡單。
由于傳感器與磁翻板液位計處于同一磁藕系統中,且測量范圍是一致的,因此可利用磁翻板液位計的標尺刻度進行調校。調校時,只需用一塊磁鋼,靠近標尺上待校點的位置,再調整轉換模塊的輸出,使之對應即可。當磁鋼靠近標尺0mm刻度時,調整“零位”電阻,使輸出為4mA,再把磁鋼靠近標尺的100%位置處,調整“量程”電阻,使輸出為20mA。如此反復調整三次,調校工作即告完成。
5、與常用液位計比較
測液位的方法和測液位的儀表類型很多,在此僅與常見的,用得*為廣泛的靜壓法液位測量儀表進行比較。
5.1誤差
使用差壓變送器利用靜壓原理測液位,要考慮被測介質的密度和氣相的負遷移問題。當實際工況使介質處于臨界沸騰狀態,其密度是一個變數;或當幾種成份構成的混合液其濃度發生變化,密度也會隨之改變;未使用負遷移時,氣相引壓管內積液,或采用了負遷移,而積液筒內液體蒸發或流失時,都會出現誤差。這些誤差的出現在時間上是不可預知的,在數值上是不固定的,有時誤差的百分數可大到2位數以上。
而LB液位變送器測液位,不受介質密度的影響,不存在負遷移問題,誤差固定為±10mm,對于小量程的液位測量系統(如0~500mm范圍)來說雖稍大,約±2 %,但其誤差卻是固定不變的。而對于大范圍的液位測量,其誤差則很小,例如對于0~2m,其誤差僅±0.5%。
5.2工作量
一個磁翻板液位計和一臺差壓變送器安裝要4個法蘭,而這套系統僅要2個法蘭,同時少在設備上開孔,對設備是有益的。同時清除因磁翻板液位計和差壓變送器取源位置不一致,造成2種液位計的液位百分讀數不一致給工藝人員帶來的不便。調校與日常維護簡便。
5.3價格
LB遠傳變送器和U HS—A磁翻板液位計不到8000元,而單是一臺中等質量的EJA—118雙法蘭變送器就高達15000元。
6、結語
化工過程裝置中靜設備的液位測量系統很多,這套液位測量系統可廣泛地大量推廣應用。



|